你知道電動汽車電磁兼容設計原則嗎?
點擊數:32802019-04-15 14:24:38 來源: 重慶哥爾摩科技有限公司、電波暗室、電磁兼容暗室、汽車電子暗室、EMI系統測試、EMS系統測試、EMC測試附件、EMC測試天線
電磁兼容性的影響因素
在一個特定的環境中,電磁兼容性可以分成三部分考慮:干擾源,傳播途徑和敏感源。干擾源是指任何產生電磁干擾的元件,可以是環境中的任何電器也可以是人活著自然環境。干擾的傳播途徑是指干擾通過可能的方式觸達敏感源的全過程,其傳播方式只有傳導和輻射兩種,但路徑可以有很多種。敏感源是指一切易受到電磁干擾的元件或者系統。
干擾源
電動汽車的電磁干擾源大致可以分為兩類,自然干擾源和人為干擾源。自然干擾源是指由自然現象引起的電磁干擾,包括靜電放電、閃電等。人為干擾源是指由人工裝置產生的電磁干擾。
自然干擾源,對于電動汽車來說,主要是靜電放電和雷雨天氣的閃電。靜電放電,在電動汽車已經組裝完成的狀態,并不會給整車帶來太大影響。但在電氣組裝階段,電氣元件沒有接地,如果組裝操作人員沒有靜電去除措施,就直接觸摸電路板等敏感元件,極高電壓的靜電放電,就可能直接造成元件損壞。
人為干擾源,指的主要是電動汽車上所有電氣設備。理論上,他們都可以發射干擾,或者被其他電磁信號所干擾。車載干擾源主要有電機、動力電池、電力電子裝置、電動輔助系統等等。電壓和電流的劇烈波動,產生電磁場的變化,感生電磁場和電流、電壓,對環境里的其他電氣產生影響。設備的功率越大,頻率越高,則產生的傳導和輻射的干擾信號就越強烈,影響的范圍和程度就越大。
按照干擾信號的存在模式不同,車載干擾源主要分為差模干擾源和共模干擾源;按照告饒信號的傳播方式分, 有傳導干擾和輻射干擾兩種形式。
傳播路徑
在連接電機控制器和動力電池及車上其他用電設備的直流母線和高低壓電纜上,驅動電機控制器,電動轉向泵控制器、剎車助力控制器等具備逆變功能的電氣產生的噪聲以傳導的形式將噪聲傳至遠端。
電機控制器等電氣參數波動頻繁的設備,中間如果以長導線形式連接,則設備本身加上導線的天線作用,把輻射干擾散播到周圍空間。
敏感源
電動汽車上的敏感源很多。高壓系統,每一個依靠波形控制的高壓電器,如果受到電磁干擾,可能輸出錯誤的控制信號。低壓系統,比如整車控制器VCU、CAN通訊系統、電池管理系統BMS(尤其開關觸發電路和傳感器),能量管理單元,制動控制器等等,幾乎每一個具備控制調節功能的電氣都是敏感源。電磁兼容設計在電動汽車上的重要性可見一斑。
2 電磁干擾抑制噪聲的方法
總體上看,電動汽車的電磁兼容性可以從電磁兼容的三要素來分析,干擾源、傳播途徑和敏感源, 三要素中任何一個條件被控制, 系統的抗電磁干擾性能都將得到改善。
通常的抑制干擾方法有三類:屏蔽,濾波和搭鐵
屏蔽,主要解決輻射干擾,防止干擾源向周圍環境傳播干擾或者被環境中的電磁信號干擾。屏蔽的效果與屏蔽層材料,屏蔽層厚度,環境中的信號類型、信號強度,屏蔽層的完整性等因素有關。
濾波,主要解決傳導干擾,通過電路傳導的干擾,無法依靠屏蔽手段避免,只有在電路中設置濾波裝置。濾波器的參數設置與被保護回路及干擾源的頻率有直接關系,可以根據兩者之間的差距選擇濾波器類型和參數。動力系統中的導線,具有很強的天線特性,既可以接收外來干擾信號,也可以發射干擾信號到環境中。
搭鐵,是針對共模干擾采取的抑制措施,聯通干擾源與系統地,可以減小干擾信號的電流或者電壓。但并不是直接使用導線連接就能完全起到抗干擾的作用,接地的效果與接地模式密切相關。不合適的接地,反而會將汽車搭鐵系統中的干擾信號傳輸給原本屏蔽措施非常完善的系統。
屏蔽,同時實現阻斷傳播通道和消滅干擾源或者敏感源的目的;濾波,基于阻斷傳播通道的理論;搭鐵,基于消滅干擾源理論。
電動汽車抗電磁干擾的設計原則
首先,敏感源必須布置在遠離主要干擾源的位置,電動汽車上最大的干擾源就是電機和電機控制器,功率大,頻率高。整車控制器、制動控制器等關鍵控制系統,必須遠離電機系統;并且電機和電機控制器之間,盡量靠近擺置,避免擴大騷擾范圍,降低連接導線的發射能力。
第二,注意線束走線方式和盡量選用適當的線束類型。線束本身具有天線的性質,導線的長度盡量短,最好不要大于干擾信號波長的0.1倍;高壓線束和低壓線束不能密集固定在一起,必須保持一定的距離;平行走線方式,是導線之間影響最大的方式,如果無法保證可靠的距離,則盡量垂直布置;在條件允許的情況下,選擇屏蔽線和雙絞線。
第三,對強干擾源采取屏蔽措施,加強對大功率高頻率的IGBT模塊及變壓器等的屏蔽措施,可以單獨對這些模塊先施加一層屏蔽層,再在電機控制器外部整體屏蔽一次;注意屏蔽層的小的縫隙和孔洞,使用導電襯墊填補縫隙,用金屬絲網遮蔽較大的窗口,避免電磁波泄漏;
第四,差模干擾在電動汽車上的比例較小, 可以在信號線和電源線上串差模扼流圈,或者干擾源和敏感源之間并聯電感,組成低通濾波器。對于共模干擾,可以在工作電路中串聯共模扼流圈,或者在地與導線之間并聯電容,組成LC濾波電路,過濾掉共模干擾噪聲。
第五,如果系統已經組裝文成,無法輕易做進一步的改動,而電磁干擾檢測無法通過時,可以考慮在整個線束上增加一個共模扼流環。
第六,合理設計電動汽車整個電氣系統的搭鐵,常見的接地方式有:單點接地,多點接地,混合接地和懸浮地。接地需要注意以下幾點。
1) 根據不同的工作信號頻率范圍選擇接地方式;
2) 接地線的種類對接地效果有很大影響,一般選用扁平線;
3) 設計的接地點盡量靠近接地電氣,縮短接地線長度。
PS: 名詞解釋
電磁環境,存在于給定場所的所有電磁現象的總和。
電磁騷擾, 任何可能引起裝置、設備或系統性能降低或者對生物或非生物產生不良影響的電磁現象。
電磁干擾,電磁騷擾引起的設備、傳輸通道或系統性能的下降。
電磁發射,從源向外發出電磁能的現象。發射不僅指電磁能量向外界空間進行的電磁輻射,也包括以電流的形式在電導體中進行的電磁能量的傳導。
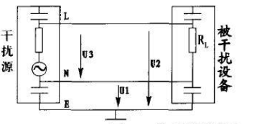
差模干擾和共模干擾,在電源或者信號回路中,一般至少具有兩條線路,一去一回形成回路。無論是否有人為的接地,參考地在電氣系統中都存在。干擾信號在這三條線路中的兩種不同存在形式,構成了差模干擾和共模干擾。
差模干擾(Differential-mode Interference)定義為任何兩個載流導體之間的干擾信號,干擾信號可以用電壓或者電流的形式表示。
共模干擾(Common- mode Interference)定義為任何載流導體與參考地之間的干擾信號;

舉例說明,如上面圖中所示,L、N為載流導線,E作為地線。U3電壓為差模干擾信號對應的電壓,而U1和U2是共模干擾信號對應的電壓。
耦合,一個系統的輸出受到輸入信號的影響,這種關系就叫做輸入與輸出是耦合關系。應用到電磁干擾部分,電磁干擾信號,作為一種輸入,影響了另一個系統的輸出,就是電磁干擾信號以耦合的形式作用于另外一個系統。進一步拓展,溫度場、電場、磁場同時作用于一個系統,叫做三種物理場的耦合。
串擾,指兩條電源線或者信號線之間的耦合作用,耦合的類型,分為容性耦合和感性耦合。容性耦合產生耦合電流;感性耦合產生耦合電壓。
參考文獻:
1趙金奎,共模干擾和差模干擾及其抑制技術;
2劉晴,純電動汽車動力系統的電磁兼容性分析與評估;
3裴春松,純電動汽車電磁兼容分析與電磁干擾抑制;
4許響林,純電動城市客車電磁兼容性試驗;
5張廣玉,電池包傳導發射測試方法研究;
6龍海清,電動汽車PWM驅動電機系統EMC研究;
7張梅,電動汽車充電樁電磁兼容測試現狀及分析;

